When the self-cleaning brush screen filter recognizes too much dirt building up on the surface of the filter screen as well as a pressure difference between the inlet and outlet water reaching a preset value, it will automatically start its self-cleaning program. This entails the motor driving a rotating brush to remove the dirt buildup from the filter screen and switch on the electric valve for discharging the dirt. This effectively cleans the filter back into its optimal filtering state.
· The time allocated for cleaning can be adjusted to fit your needs, ranging from 20 to 120 seconds.
· No need to turn down the water during self-cleaning.
· The pressure loss caused by blowdown less than 0.5 bar.
· The flow deviation limited to less than 1%.
Applications
· A process that utilizes filtration to reduce sediment accumulation in heat exchangers, thus boosting the cooling power of cooling towers, air conditioning systems and DC systems. In addition, the water filtration keeps the make-up water system in top condition.
· A procedure to obtain clean surface water from rivers, lakes, seas, reservoirs and wells. This technique can remove unwanted particles including sand, bacteria, algae, and organic material.
· Employed on equipment that requires specific water quality standards, such as coolers and rolling mills, as well as continuous casting machines, polishing equipment, pumps, electromagnetic valves and ion exchangers, sprayers and radiators. This form of filtration helps eradicate contaminants from the water, preventing blockages that could otherwise occur in pipes, hoses, and other components.
· Highly suitable for water sources with high flow and impurities, and can be used for various purposes, such as agricultural irrigation, park sprinkling, golf courses, and sports fields.
· efficient white water filtration in its operations.
· the filtration and circulation of cooling water to optimize injection processes.
· Membrane, resin and ultrafiltration pretreatment.
· Seawater desalination systems and mariculture filtration systems with pretreatment filtration.
· Installation: online installationTechnical Specifications
| Model | Inlet/outlet connection (mm) | Max. flow rate (m³/h) | Filtration area (cm²) | Drain valve DN (mm) | D mm | Water consumption per cycle (L) | Motor power (kW) | Weight (kg) |
| DN50/10 | 25 | 3300 | DN25/10 | 275 | 130 | 0.55 | 170 | |
| DN80/10 | 40 | 3600 | DN25/10 | 275 | 130 | 0.55 | 180 | |
| DN100/10 | 80 | 4000 | DN40/10 | 275 | 150 | 0.55 | 210 | |
| DN150/10 | 150 | 4500 | DN50/10 | 275 | 130 | 0.55 | 240 | |
| DN200/10 | 300 | 6000 | DN50/10 | 325 | 130 | 0.55 | 260 | |
| DN250/10 | 400 | 7500 | DN50/10 | 400 | 180 | 0.55 | 420 |
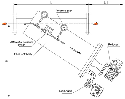
Installation Dimensions
| Model | ||||||
| H | 720 | 750 | 820 | 850 | 980 | 1020 |
| L | 720 | 720 | 760 | 800 | 1050 | 1080 |
| L1 | 335 | 335 | 410 | 435 | 350 | 360 |
Control System
· Industrial single-chip PLC for an automatic control experience with a Chinese or English interface.
· A range of control options for the automated filter cleaning, including pressure differential and set timers. Manual and forced cleaning operations available.
· Adjust filtering and cleaning times right at the location.
· This filter offers a range of outputs for operation, cleaning, and fault signals, as well as a 485 communication interface.
Electric automatic self-cleaning brush screen filter
· Filter shell material: carbon steel covered with epoxy resin powder, stainless steel, duplex steel and carbon steel with a plastic lining.
· Screen filter material: stainless steel, duplex steel
· Self-cleaning device: stainless steel, duplex steel, nylon
· Blowdown valve: cast iron
· Seal ring: nitrile rubber and silicone rubber.
· Control box: PVC
| Model | Inlet/outlet connection (mm) | Max. flow rate (m³/h) | Filtration area (cm²) | Drain valve DN (mm) | D mm | Water consumption per cycle (L) | Motor power (kW) | Weight (kg) |
| DN50/10 | 25 | 3300 | DN25/10 | 275 | 130 | 0.55 | 170 | |
| DN80/10 | 40 | 3600 | DN25/10 | 275 | 130 | 0.55 | 180 | |
| DN100/10 | 80 | 4000 | DN40/10 | 275 | 150 | 0.55 | 210 | |
| DN150/10 | 150 | 4500 | DN50/10 | 275 | 130 | 0.55 | 240 | |
| DN200/10 | 300 | 6000 | DN50/10 | 325 | 130 | 0.55 | 260 | |
| DN250/10 | 400 | 7500 | DN50/10 | 400 | 180 | 0.55 | 420 |
| Model | ||||||
| H | 720 | 750 | 820 | 850 | 980 | 1020 |
| L | 720 | 720 | 760 | 800 | 1050 | 1080 |
| L1 | 335 | 335 | 410 | 435 | 350 | 360 |